直流固態繼電器
聯系人 : 嵇先生
電話 : 021-37528292
郵箱 : 022000@163.com
手機 : 13636400688
傳真 : 021-37528292
地址 : 上海市奉賢區南橋鎮新民港路175-16號
聯系人 : 嵇先生
電話 : 021-37528292
郵箱 : 022000@163.com
手機 : 13636400688
傳真 : 021-37528292
地址 : 上海市奉賢區南橋鎮新民港路175-16號
一. 直流固態繼電器產品特點 ① 控制回路與負載回路之間光電隔離. ② 擁有10-80A直流輸出 ③ 使用時需配適當散熱器,必要時加強迫風冷. ④ 控制信號與TTL邏輯兼容; ⑤ 阻燃工程塑料外殼,金屬底板 ⑥ 用途廣范,可用于直流阻性感性負載:如噴泉,娛樂設施,醫療器械,烘箱,直流電機,電氣開關柜,自動化控制等設備 二.直流固態繼電器產品概述 直流固態繼電器采用阻燃工程塑料外殼,造型別致,結構新穎,自升螺絲壓接式接線,配有安全蓋,使安裝、檢查方便快捷、安全可靠. 直流固態繼電器是輸入輸出間采用光電或電磁脈沖隔離技術,用功率晶體管或大功率MOS管,IGBT管等器件,代替傳統電磁線圈有觸點的繼電器具有壽命長、可靠性高、開關速度快、抗干擾能力強,電磁干擾小、無噪聲、無火花等特點,由于直流固態繼電器上述一系列特性,目前廣泛應用于直流電機驅動,通訊與網絡設備,計算機終端產品,數字音響,視頻設備,自動化控制系統,以及儀器儀表,醫療器械,娛樂設施,噴泉等場合.特別適用于腐蝕、潮濕、防塵、要求防爆等惡劣環境,及頻繁開關的場合.
| 三. 以下是直流固態繼電器參數: | ||||||||||||||||||||||||||||||||||||||||||||||||||||||
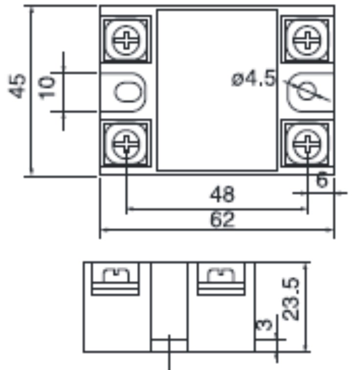
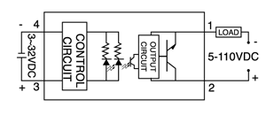
四. 直流固態繼電器外形尺寸和安裝接線圖:(單位:mm)
溫度曲線圖:
五. 固態繼電器產品選用注意事項: ● 選擇產品時,應根據負載的性質不同,在電流檔次上留有不同的余量。(阻性負載時,可按2-3倍負載電流選取。感性或容性負載時,可按3-5 倍負載電流選取)。 ● 根據負載電流與環境溫度的關系,當環境溫度較高或散熱條件欠佳時。應增加電流容量。為防使用時負載短路,要求在負載回路中串接與本產品相應的快速斷路開關或快速熔斷器。 ● 感性負載時,應在輸出端并接壓敏電阻,以防過壓時損壞晶閘管。壓敏電阻(MOV)的選配:240V檔時選430-470V,440V檔時選680-750V, 660V檔時選1100-1200V。 ● 安裝時,要求散熱器與本產品接觸面之間必須平整、光潔,并在其表面均勻涂上一層導熱硅脂,最后再將套上平墊圈、彈簧墊圈的螺絲對稱擰緊固定。 ● 當固態繼電器首次工作停機后,應趁其尚有余溫再緊固一下固定螺釘,以使固態繼電器底板和散熱器表面能夠緊密接觸,達到最佳散熱效果。 ● 不同型號固態繼電器其標稱電流是在環境溫度為40℃時的標稱電流,所以散熱要充分!! | ||||||||||||||||||||||||||||||||||||||||||||||||||||||
手機 : 021-37528292
郵箱 : 022000@163.com
電話 : 13636400688
傳真 : 021-37528292
地址 : 上海市奉賢區南橋鎮新民港路175-16號
Copyright ? 2025 上海月盛電子科技有限公司 All Rights Reserved. 網站地圖 滬ICP備11007535
ch


